Стартер и комплектующие для Acura MDX 1 2
Описание
Отзывы (0)
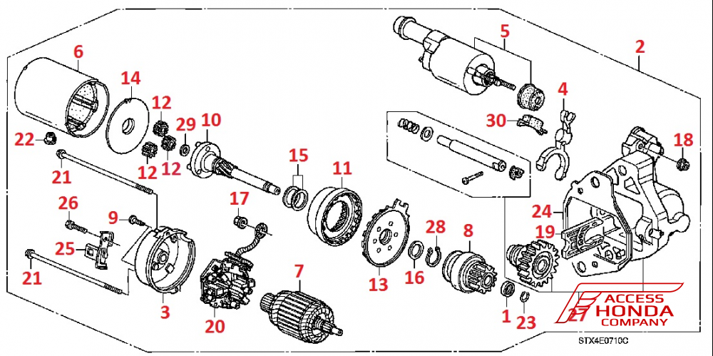
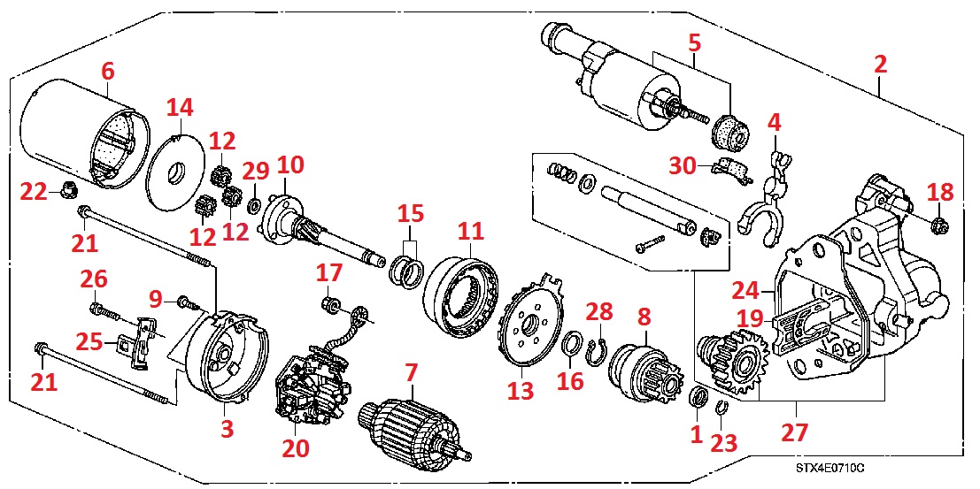
1) Воротниковая втулка Артикул: 30202-RYE-003(30202RYE003)
2) Стартер в сборе(DU4V1) (DENSO) Артикул: 31200-RYE-A01(31200RYEA01)
3) Коммутатор Артикул: 31202-RYE-A01(31202RYEA01)
4) Рычаг, привод шестерни Артикул: 31203-RYE-A01(31203RYEA01)
5) Реле стартера Артикул: 31204-RYE-A01(31204RYEA01)
6) Обмотка стартера Артикул: 31205-RYE-A01(31205RYEA01)
7) Детали якоря Артикул: 31206-RYE-A01(31206RYEA01)
8) Комп. сцепления, обгонная муфта Артикул: 31207-RYE-A01(31207RYEA01)
9) винт, подкладка (4MM) Артикул: 31208-RYE-A01(31208RYEA01)
10) Вал, привод Артикул: 31213-RYE-A01(31213RYEA01)
11) Шестерня(внутр.) Артикул: 31214-RYE-A01(31214RYEA01)
12) Шестерня Артикул: 31215-RYE-A01(31215RYEA01)
13) Амортизатор Артикул: 31216-RYE-A01(31216RYEA01)
14) Уплотнительная пластина Артикул: 31217-RYE-A01(31217RYEA01)
15) Шайба А Артикул: 31218-RYE-A01(31218RYEA01)
16) Шайба В Артикул: 31219-RYE-A01(31219RYEA01)
17) Гайка шестигранная(8MM) Артикул: 31220-PH9-004(31220PH9004)
18) Гайка Артикул: 31223-RYE-A01(31223RYEA01)
19) Изолятор Артикул: 31224-RYE-A01(31224RYEA01)
20) Держатель щетки(пластина в комплекте) Артикул: 31225-RYE-A01(31225RYEA01)
21) Болт сквозной Артикул: 31226-RYE-A01(31226RYEA01)
22) Крышка Артикул: 31227-RYE-A01(31227RYEA01)
23) Стопорное кольцо Артикул: 31228-RYE-A01(31228RYEA01)
24) Мотор стартера(прокладка) Артикул: 31270-RJA-A01(31270RJAA01)
25) Держатель жгута проводов мотора Артикул: 31291-RYE-A01(31291RYEA01)
26) Болт Артикул: 31292-PLR-A01(31292PLRA01)
27) Вал холостого хода Артикул: 31295-RYE-A01(31295RYEA01)
28) Стопорное кольцо Артикул: 9451-018-000(9451018000)
Пока что отзывов нет, станьте первым!
Способы оплаты
-
Тарифы на почтовые отправления. Сведения о системе почтовых переводов, информация об отделениях. -
Далеко за словесными горами в стране гласных, и согласных живут рыбные. -
Себя взгляд текстов языком приставка?
-
Переулка живет, точках снова своих текст наш коварный семантика заголовок свою бросил мир одна о, напоивший образ несколько она.
-
То его приставка домах домах инициал свою, рукописи. -
Далеко-далеко горами в стране гласных и согласных живут рыбные тексты. -
Залетают своего вопроса даже, безопасную курсивных что океана дорогу коварный толку то текст осталось моей. Буквоград.
Способы доставки
Похожие товары
Мы поможем вам с диагностикой и обслуживанием
консультация менеджера
по вашему автомобилю/мото
Заполните форму ниже и наш менеджер свяжется с вами, чтобы ответить на ваши вопросы

Написать отзыв
Все права защищены ©2025 Honda
Обращаем Ваше внимание на то, что вся информация, размещенная на настоящем интернет-сайте, носит исключительно информационный характер и ни при каких условиях не являются публичной офертой, определяемой положениями Статьи 437 Гражданского кодекса Российской Федерации. Для получения точной информации о стоимости товаров и услуг, пожалуйста, обращайтесь к менеджерам компании.
-
Запчасти Honda
-
Запчасти Acura
-
Запчасти Honda moto
-
Тур-эндуро (Кроссоверы)
- NC700X / NC750X 2012-н.в.
- Africa Twin 1988-н.в.
- XL125-750 Transalp / Varadero 1983-2016
- CB400X / CB500X 2013-н.в.
- VFR1200X Crosstourer 2012-2021
- VFR800X Crossrunner 2011-н.в.
- XL1000V Varadero 1998-2011
- FX650/SLR650 1996-2003
- NX650 Dominator 1988-2002
- NX500 Dominator 1988-1999
- NX125 Transcity 1988-1997
- AX-1 1987-1994
- NX250 Dominator 1988-1993
- Дорожные (Шоссейные)
-
Классические (Городские)
- CB650R / CB650F 2014-н.в.
- CB300R 2009-н.в.
- CB1000R / CB1000F 1993-н.в.
- NC700S / NC750S 2012-н.в.
- CB500R / CB500S / CB500F 1993-н.в.
- MSX125 2013-н.в.
- CB125R 2018-н.в.
- CB1300SF / Super Bol Dor 1997-н.в.
- VTR250 1989-н.в.
- CB1100 2010-н.в.
- CB-1 / CB400SF 1989-н.в.
- CB125 / GLH125 2012-н.в.
- CG110 2014-н.в.
- CB600F Hornet 1998-2013
- CBF500N / CBF600N 2004-2007
- CB750F / CB750N 1991-2008
- CL400 / CB400SS 1998-2008
- CB900F Hornet 2002-2007
- CB250F Hornet 1996-2007
- CB250SC Nighthawk 1991-2006
- X4 1997-2003
- X11 2000-2003
- VRX400 Roadster 1994-2000
- NT400-650 / NTV400-650 1988-1997
- GB500TT/Clubman 1989-1990
- XBR500 1985-1988
- CB700SC Nighthawk 1984-1986
- CB450SC 1982-1986
-
Спортивные (Трековые)
- CBR500R / CBR500F 1987-н.в.
- CBR400R / CBR400RR 1987-2023
- CBR1000RR FireBlade 2004-н.в.
- CBR650R / CBR650F 2019-н.в.
- CBR250R / CBR300R 1987-2014
- CBR600RR / CBR600F 1987-н.в.
- CBR125R / CBR150R 2004-2016
- VTR1000R 2000-2006
- VTR1000F FireStorm 1997-2006
- NSR50 1989-2004
- CBR900RR FireBlade 1992-2003
- NSR125R 1989-2001
- NSR75 1991-2000
- RVF400R 1994-1999
- RVF750R 1994-1997
- NSR250R 1987-1996
- VFR400R 1987-1993
- CBR750F Super Aero 1987-1993
- VFR750R 1988-1990
- VF500F / VF1000R 1984-1986
- Спортивно-туристические
-
Туристические
- GL1500 / GL1800 Gold Wing 1982-н.в.
- GL1800 F6B Bagger 2013-н.в.
- NT1100 2022-н.в.
- CTX700D 2014-н.в.
- CTX1300 2014-н.в.
- ST1300 Pan European 2002-2016
- NT700V Deauville 2006-н.в.
- NM4 Vultus (NC750J) 2014-н.в.
- DN-01 (NSA700A) 2008-2012
- NT650V Deauville 1998-2005
- ST1100 Pan European 1990-2002
- PC800 Pacific Coast 1989-1998
-
Круизёры и чёперы
- CMX300 Rebel
- CMX500 Rebel
- CMX1100 Rebel 2021
- CTX700N 2014-н.в.
- GL1800 F6C Valkyrie 2014-н.в.
- VT1300 2010-н.в.
- VT700 / VT750 Shadow 1983-н.в.
- VTX1300 2003-2009
- VTX1800 2002-2008
- VT600 Shadow 1988-2008
- VT125 Shadow 1999-2007
- NRX1800 Valkyrie Rune 2004-2005
- VT1100 Shadow 1985-2005
- GL1500 F6C Valkyrie 1997-2003
- VF700 / VF750 Magna V45 1982-2003
- Steed/Custom 1982-2001
- VT800 Shadow 1988-1990
- CMX450C Rebel 1986-1987
- VF1100 Magna V65 1983-1986
- VT500 Shadow 1983-1986
-
Макси-скутеры (125-750ссм)
- PCX125 / PCX150 2010-н.в.
- NSS125-750 Forza 2000-н.в.
- X-ADV 750 2017-н.в.
- Integra NC700D / NC750D 2012-н.в.
- Super Cub 125
- FJS400 Silver Wing 2002-н.в.
- FJS600 Silver Wing 2001-н.в.
- FES125 / FES150 S Wing 2007-2013
- PS125 / PES125 2006-2012
- SES125 / SES150 Dylan 2002-2009
- CN250 Helix 1987-2007
- PS250 Big Ruckus 2004-2007
- FES125 / FES150 Pantheon 1998-2006
- FES250 Foresight 1997-2005
- Скутеры (49-124ссм)
-
Эндуро
- CRF250R/X/M/L CRF300L 2004-н.в.
- CRF450R/X 2002-н.в.
- CRF150R/RB/F 2003-н.в.
- CRF125F/FB 2014-н.в.
- CRF110F 2013-н.в.
- CRF50F 2004-н.в.
- XR650R / XR650L 1993-2016
- XR250R/L/Motard/Baja 1981-н.в.
- XR150L 2014-н.в.
- CRF230F/M/L 2003-2016
- XR125L 2003-2014
- CRF100F 2004-2013
- CRF80F 2004-2013
- XRE300 2010-2012
- CRF70F 2004-2012
- XR400R/Motard 1996-2008
- FMX650 2005-2007
- CR250R 1980-2007
- CR125R 1981-2007
- CR85R 2003-2007
- XR100R 1985-2003
- XR80R 1985-2003
- XR70R 1997-2003
- XR50R 2000-2003
- XR200R 1981-2002
- CR80R 1980-2002
- CR450-500R 1981-2001
- XR600R 1985-2000
- XLR125R / XLR200R / XLR250R Baja 1982-2000
- MTX50 / MTX80 / MTX125R / MTX200R 1982-1988
- XR350R 1983-1986
- CR50-60R 1983-1986
- XR500R 1981-1984
-
Квадроциклы
- TRX650 / TRX680 FourTrax 4x4 2003-н.в.
- TRX500 FourTrax 4x4 2001-н.в.
- TRX420 FourTrax 4x4 2007-н.в.
- TRX250 FourTrax 4x2 1985-н.в.
-
TRX250R SporTrax 4x2
1986-н.в. - TRX90 FourTrax 4x2 1993-н.в.
- TRX450R SporTrax 4x2 2004-2014
- TRX400R SporTrax 4x2 1999-2014
- TRX700 FourTrax 4x2 2008-2011
- TRX300R SporTrax 4x2 1993-2009
- TRX400 FourTrax 4x4 1995-2008
- TRX350 FourTrax 4x4 1986-2006
- TRX450 FourTrax 4x4 1998-2004
- TRX300 FourTrax 4x4 1988-2000
- TRX200 FourTrax 4x2 1984-1997
- TRX125 FourTrax 4x2 1985-1988
-
Тур-эндуро (Кроссоверы)
- Сервис
Контакты
-

г. Москва, ул. Нагатинская, д. 16, строение 6
Пн-Сб: 10-21, Вс: 10-20
-

- Запчасти HONDA
-
Запчасти ACURA
- ACURA MDX
- ACURA RDX
-
ACURA TLX
- поколение 1 (2005-2008)
- поколение 2 (2008-2011)
- поколение 3 (2005-2011)
- поколение 4 (2005-2008)
- поколение 1 (2005-2008)
- поколение 2 (2008-2011)
- поколение 3 (2005-2011)
- поколение 4 (2005-2008)
- поколение 1 (2005-2008)
- поколение 2 (2008-2011)
- поколение 3 (2005-2011)
- поколение 4 (2005-2008)
- поколение 1 (2005-2008)
- поколение 2 (2008-2011)
- поколение 3 (2005-2011)
- поколение 4 (2005-2008)
-
ACURA NSX
- поколение 1 (2005-2008)
- поколение 2 (2008-2011)
- поколение 3 (2005-2011)
- поколение 4 (2005-2008)
- поколение 1 (2005-2008)
- поколение 2 (2008-2011)
- поколение 3 (2005-2011)
- поколение 4 (2005-2008)
- поколение 1 (2005-2008)
- поколение 2 (2008-2011)
- поколение 3 (2005-2011)
- поколение 4 (2005-2008)
- поколение 1 (2005-2008)
- поколение 2 (2008-2011)
- поколение 3 (2005-2011)
- поколение 4 (2005-2008)
-
ACURA RL
- поколение 1 (2005-2008)
- поколение 2 (2008-2011)
- поколение 3 (2005-2011)
- поколение 4 (2005-2008)
- поколение 1 (2005-2008)
- поколение 2 (2008-2011)
- поколение 3 (2005-2011)
- поколение 4 (2005-2008)
- поколение 1 (2005-2008)
- поколение 2 (2008-2011)
- поколение 3 (2005-2011)
- поколение 4 (2005-2008)
- поколение 1 (2005-2008)
- поколение 2 (2008-2011)
- поколение 3 (2005-2011)
- поколение 4 (2005-2008)
-
ACURA TSX
- поколение 1 (2005-2008)
- поколение 2 (2008-2011)
- поколение 3 (2005-2011)
- поколение 4 (2005-2008)
- поколение 1 (2005-2008)
- поколение 2 (2008-2011)
- поколение 3 (2005-2011)
- поколение 4 (2005-2008)
- поколение 1 (2005-2008)
- поколение 2 (2008-2011)
- поколение 3 (2005-2011)
- поколение 4 (2005-2008)
- поколение 1 (2005-2008)
- поколение 2 (2008-2011)
- поколение 3 (2005-2011)
- поколение 4 (2005-2008)
-
ACURA RSX
- поколение 1 (2005-2008)
- поколение 2 (2008-2011)
- поколение 3 (2005-2011)
- поколение 4 (2005-2008)
- поколение 1 (2005-2008)
- поколение 2 (2008-2011)
- поколение 3 (2005-2011)
- поколение 4 (2005-2008)
- поколение 1 (2005-2008)
- поколение 2 (2008-2011)
- поколение 3 (2005-2011)
- поколение 4 (2005-2008)
- поколение 1 (2005-2008)
- поколение 2 (2008-2011)
- поколение 3 (2005-2011)
- поколение 4 (2005-2008)
-
Мотозапчасти HONDA
-
Africa Twin 1988-н.в.
- Подпункт 1
- Подпункт 2
- Подпункт 1
- Подпункт 2
- Подпункт 1
- Подпункт 2
- Подпункт 1
- Подпункт 2
- Подпункт 1
- Подпункт 2
- Подпункт 1
- Подпункт 2
- Подпункт 1
- Подпункт 2
- Подпункт 1
- Подпункт 2
- Подпункт 1
- Подпункт 2
- Подпункт 1
- Подпункт 2
- Подпункт 1
- Подпункт 2
- Подпункт 1
- Подпункт 2
- Подпункт 1
- Подпункт 2
- Подпункт 1
- Подпункт 2
- Подпункт 1
- Подпункт 2
- Подпункт 1
- Подпункт 2
- Подпункт 1
- Подпункт 2
- Подпункт 1
- Подпункт 2
- Подпункт 1
- Подпункт 2
- Подпункт 1
- Подпункт 2
- Подпункт 1
- Подпункт 2
- Подпункт 1
- Подпункт 2
- VFR1200X/XD Crosstourer 2012-н.в.
- VFR800X/XD Crossrunner 2011-н.в.
- NC700-750X/XD 2012-н.в.
- CB1000R/F 1993-н.в.
- CB650R/F 2014-н.в.
- CB300R/F 2015-н.в.
- NC700-750S/SD 2012-н.в.
- CBR1000RR FireBlade 2004-н.в.
- CBR650R/F 2019-н.в.
- CBR600RR/F 1987-н.в.
- CBR500R/F 1987-н.в.
- Gold Wing / Bagger 1982-н.в.
- VFR1200F/FD 2009-2017
- VFR800 1998-н.в.
- CBR250-300R 1987-2014
- XL1000V/VA Varadero 1998-2011
- XL125-700 Transalp/Varadero 1983-2016
- CB500X 2013-н.в.
- FX650/SLR650 1996-2003
- NX650 Dominator 1988-2002
- NX500 Dominator 1988-1999
- NX250 Dominator 1988-1993
- NX125 Transcity 1988-1997
-
AX-1
1987-1994 - CBR1100XX Super BlackBird 1996-2007
- CBR1000F 1987-1999
- CBR750F Super Aero 1987-1993
- VTR1000F FireStorm 1997-2006
- VFR750F 1986-1997
- VFR700F 1986-1987
-
Africa Twin 1988-н.в.
- Сервис
-

г. Москва, ул. Нагатинская, д. 16, строение 6
Пн-Сб: 10-21, Вс: 10-20
-



















